كم المحول سلسلة H H312
سهل التنصيب
لست بحاجة إلى الإصلاح بشكل منفصل على العمود.
عند استخدام الغلاف على العمود ، يمكن وضع المحمل في أي موضع على العمود.
كاملة مع قفل الجوز
كاملة مع جهاز القفل
تفاصيل المنتج
كم محول سلسلة H H312
من السهل أن ||| إعداد ||| لـ لكل ||| ||| الخبير والتطبيق DIY. إنه بالإضافة إلى a بأسعار أقل ||| اختيار ||| to مهاوي ، والتي يمكن أن تكون عالية الأسعار | ||| وتستغرق وقتا طويلا للحصول عليها.

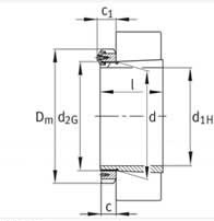
أبعاد
التعيينات الجديدة |
H312 |
|
الأبعاد الرئيسية |
55 × 86 × 60 |
قطر التجويف × القطر الخارجي × عرض القطر (مم) |
بطاقة تعريف |
55 ملم |
القطر الداخلي (ID) |
من |
86 ملم |
القطر الخارجي (OD) |
تي (ب) |
60 ملم |
سماكة (WD) |
م |
0.4 كجم |
وزن |
كتلة
| الجمعية كم محول |
0.41 كلغ
|
المنتجات المتضمنة
| قفل الجوز | كم 12 |
| جهاز القفل | ميغابايت 12 |
المنتجات المرتبطة بها
| الجوز الهيدروليكي |
HMV 12E
|
اترك رسائلك
أخبار ذات صلة
ما هو الفرق بين 6000 و D6000 محامل؟
2025-02-13
كم تعرف عن محامل الأسطوانة المدببة؟
2025-02-12

