كم المحول H سلسلة H315
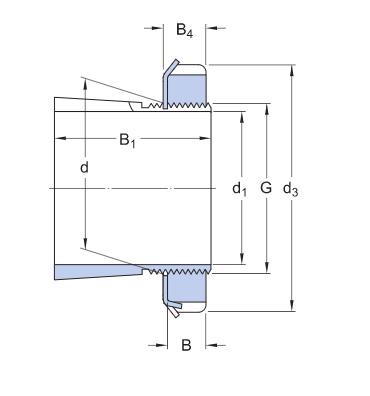
جِلب المهايئ هي المكونات الأكثر استخدامًا لتحديد المحامل ذات التجويف المستدق على مقعد أسطواني حيث يمكن استخدامها على أعمدة عادية أو أعمدة متدرجة. إنها مشقوقة ومزودة بصامولة قفل KM وغسالة قفل MB.
سهل التنصيب
كاملة مع قفل الجوز
كاملة مع جهاز القفل
||| مضخة المحول H315 عبارة عن مكون ميكانيكي يربط عمود المكون الميكانيكي بفتحة مدببة في مكون آخر. إنها جلبة متعددة الاستخدامات وأداة أساسية في صندوق أدوات أي ميكانيكي. نظرًا لتصميمه وبنيته الفائقة ، يتميز غلاف المحول H315 عن البطانات الأخرى بقدرته على مقاومة التآكل في الاستخدام طويل الأمد.
إن غطاء المحول H315 مصنوع من مواد عالية الجودة ، مما يضمن قدرته على تحمل أقسى البيئات. يسمح تصميمه الفريد بتوزيع الحمل بالتساوي عبر سطحه لمنع التآكل ، حتى عند التعرض لضغط شديد. هذا يعني أنه يمكنك الاعتماد على محول الكم H315 لأداء لا تشوبه شائبة بغض النظر عن نوع الماكينة التي تستخدمها من أجلها.

أبعاد
| 65 ملم | قطر تتحمل |
| 75 ملم | قطر خارجي صغير تفتق |
| 98 ملم | خارج القطر قفل الجوز |
| 55 ملم | عرض |
| 13 ملم | عرض قفل الجوز |
| 14.5 ملم | عرض صامولة القفل بما في ذلك قفل الغسالة |
| M75x2 | خيط |
| 1:12 | تفتق خارجي |

كتلة
| الجمعية كم محول الكتلة |
0.87 كجم
|
المنتجات المتضمنة
| قفل الجوز | كم 15 |
| جهاز القفل | 15 ميجا بايت |
المنتجات المرتبطة بها
| الجوز الهيدروليكي |
HMV 15E
|
||| ||| سواء كنت بحاجة إلى مقبس صغير للمكونات الدقيقة أو مقبس كبير للآلات الثقيلة ، فإن غلاف المحول H315 يمكنه تلبية احتياجاتك. بالإضافة إلى ذلك ، فإن تصميمه سهل الاستخدام يعني أنه يمكنك تثبيته بسهولة ، مما يوفر لك الوقت والمال.

