6001 محمل كروي ذو أخدود عميق
تتميز المحامل الكروية ذات الأخدود العميق أحادية الصف بأنها متعددة الاستخدامات بشكل خاص، ولها احتكاك منخفض وتم تحسينها من أجل انخفاض مستوى الضجيج والاهتزاز المنخفض، مما يتيح سرعات دوران عالية. إنها تستوعب الأحمال الشعاعية والمحورية في كلا الاتجاهين، كما أنها سهلة التركيب وتتطلب صيانة أقل من العديد من أنواع المحامل الأخرى.
تصميم بسيط ومتعدد الاستخدامات وقوي
الاحتكاك المنخفض
القدرة على السرعة العالية
استيعاب الأحمال الشعاعية والمحورية في كلا الاتجاهين
تتطلب القليل من الصيانة
المعلمات التقنية لمحمل كروي الأخدود العميق 6001.
صف واحد محمل كروي أخدود عميق خاصة متعددة الاستخدامات، وتتميز باحتكاك منخفض ومُحسَّنة من أجل انخفاض مستوى الضجيج والاهتزاز المنخفض، مما يؤدي إلى انخفاض مستوى الضوضاء والاهتزاز يوافق مفرط سرعات الدوران. أنها تستوعب شعاعي ومحوري الأحمال في كل الاتجاهات، هي خالية من المتاعب للتركيب، وتتطلب الكثير اقل بكثير أمان من كثير متميز أنواع تحمل.
يمكن استخدام محامل الكرات الأخدود العميق في ناقل الحركة، والأدوات، والآلات الكهربائية، عائلة الأجهزة، داخلي محركات الاحتراق، الزائرين المركبات والآلات الزراعية, مبنى الات، تطوير الات، بكرة الشعر الزلاجات واليويو وما إلى ذلك. محمل كروي الأخدود العميق هو الأكثر عادة تستخدم تحمل المتداول. إنه شكل يكون سهل و جهد ليستخدم. إنها عمومًا تستخدم ل خضع تحميل شعاعي, لكن عندما يتم زيادة الخلوص الشعاعي للمحمل، فإنه يحتوي على بالتأكيد الأداء العام من محمل كروي الاتصال الزاوي ويمكن خضع ال المخلوطة الحمل الشعاعي والمحوري. عندما خطوة يكون أكبر ومحمل كروي الدفع هو ليس اطول مناسبة، يمكنها ذلك بالإضافة إلى ذلك استخدمت ل خضع الحمل المحوري النقي. مقارنة مع مختلف أنواع من المحامل مع متساوي قياس ومواصفات محامل الكرات الأخدود العميق، هذه المحامل لديها معامل احتكاك صغير و مُبَالَغ فيه تقييد سرعة. لكن ليس اطول يؤثر مقاومة، ليس اطول ملائم ل خضع الأحمال الثقيلة.
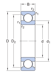
أبعاد:
د |
12 ملم |
قطر التجويف |
د |
28 ملم |
القطر الخارجي |
ب |
8 ملم |
عرض |
د 1 |
17 ملم |
قطر الكتف |
D2 |
24.72 ملم |
قطر العطلة |
ص 1.2 |
الحد الأدنى 0.6 ملم |
البعد الشطب |

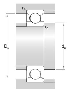
أبعاد الدعامة:
د أ |
الحد الأدنى 14 ملم |
قطر رمح دعامة |
نعم_ |
الحد الأقصى 26 ملم |
قطر دعامة السكن |
أ |
الحد الأقصى 0.3 مم |
نصف قطر العمود أو فيليه السكن |
بيانات الحساب:
الحمل الديناميكي الأساسي تقييم |
ج |
5.4 كيلو نيوتن |
الحمل الساكن الأساسي تقييم |
ج 0 |
2.36kN |
حد تحميل التعب |
استطاع |
0.1 كيلو نيوتن |
السرعة المرجعية |
6000 دورة/دقيقة |
|
الحد من السرعة |
38000 دورة/دقيقة |
|
الحد الأدنى لعامل الحمولة |
ك ر |
0.025 |
عامل الحساب |
و 0 |
13 |
كتلة _ : 0.021 كجم

فئة التسامح
| التحمل الأبعاد |
ص6
|
| نفاذ شعاعي |
ص5
|

