شعاعي محمل كروي عادي GE40ES
1. عمر طويل ودقة عالية
فولاذ عالي القوة ، قدرة تحمل أقوى ، يتمتع القلب بصلابة جيدة ، ويمكن أن يتحمل عبء تأثير أعلى
2. انخفاض مستوى الضجيج ومقاومة الحمل
ضوضاء منخفضة ، حد أقصى للسرعة وليس من السهل حرقها ، مناسبة للمواقف الصعبة
3. التشحيم الذاتي ومقاومة التآكل
التشحيم الذاتي ، مقاومة التآكل ، المحاذاة الذاتية ، الاحتكاك المنخفض ، مقاومة التآكل nad المقاومة للماء والغبار ليس من السهل الصدأ
4. عملية صارمة ، ضمان الجودة
اختيار مواد ممتاز ، جودة إجمالية أعلى ، لتجنب مشاكل التفكيك والتجميع المتكررة الناتجة عن التحمل الضعيف
شعاعي محمل كروي عادي GE40ES

تحمل مادة |
دقة مستوى |
الاحتفاظ بالاطار والمواد |
وزن |
المزلق |
تجويف قطر الدائرة |
الخارج قطر الدائرة |
تحمل فُولاَذ |
ص 5 |
سبيكة |
1 كجم |
شحم شحم (ممتلئة بالفعل) |
40 ملم |
62 ملم |
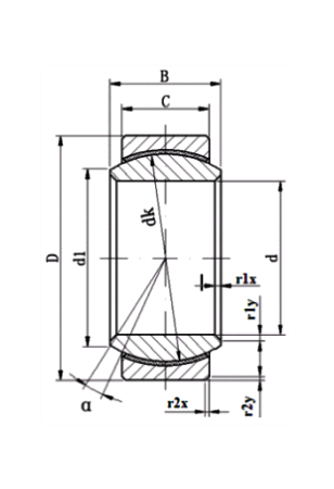
محمل كروي عادي محمل G40ES هو نوع من محمل كروي عادي ، يكون سطحه التلامسي المنزلق عبارة عن كرة داخلية وكرة خارجية ، والتي يمكن أن تدور وتتأرجح في أي زاوية عند الحركة. وهي مصنوعة من الفوسفات السطحي ، والتفجير ، والإدراج ، والرش وطرق معالجة خاصة أخرى. يتميز المحمل الكروي الراديكالي بخصائص قدرة التحميل الكبيرة ، ومقاومة الصدمات ، ومقاومة التآكل ، ومقاومة التآكل ، والمحاذاة الذاتية ، والتشحيم الجيد وما إلى ذلك.


