أسطواني مستدق 48684 48620
قدرة تحمل حمولة شعاعية ومحورية عالية
تستوعب المحوري المئات في اتجاه واحد
الاحتكاك المنخفض
قابل للفصل والتبديل عناصر
مدبب أسطواني 48684/48620
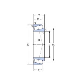
مدبب أسطوانة تحمل 48684/48620 هي تحمل صف واحد عادة تستخدم في الخدمة الشاقة المقاصد مثل مبنى المعدات وآلات التعدين و مختلف جَسِيم معدات صناعية. يتكون من داخلي حلقة ، حلقة خارجية ، بكرات مدببة ، وقفص ل يحافظ على الأسطوانات مفصولة ومتباعدة بشكل متساوٍ. مدبب يخطط يسمح بالدخول للتوزيع التدريجي للحمل على أ كبير أرضية المناطق المجاورة بينما تناقص الاحتكاك و التأكد أ سهل عملية.

البعد:
المعرف: 142.875 ملم
OD: 200.025mm
T: 39.688 ملم
الوزن: 3.75 كجم
تحمل التفاصيل

العناصر التالية مخزون كبير
LM361649 / LM361610 1780/1738X 16150 / 16284LM961548 / LM961510
1986/1932 16150/16283LM961548 / LM961511 M84249 / M84210
2776/2735XEE161363/161850 15578/15523 2788/2735XEE161363/161900
1986/1931 28150/28300EE203136/203190 15100/15245 28151/28300
EE203137/203190 15101/15245 2776/2720HM262748/HM262710
15102/15245 2777/2720HM262749/HM262710 15100/15244 2788/2720
EE333137/333197 15101/15244 2788/2729EE161394/161850 2687/2630
2788A/2720/2729EE161394/161900 15100/15250 26878/26823

