كم المحول من السلسلة H H313
جِلب المهايئ هي أكثر من عادةً استخدام ||| عناصر ||| ||| سهلة مهاوي أو مهاوي متدرجة. يتم شقها وتأثيثها كاملة مع صامولة قفل KM وغسالة قفل MB.
سهل التنصيب
كاملة مع قفل الجوز
كاملة مع قفل الجزء
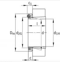
يتكون غلاف المهايئ من جلبة ، صامولة قفل ، حلقة قفل (أو مشبك قفل) و أجزاء ممتازة .
الأكمام مع صواميل القفل وغسالات القفل قابلة للتبديل ||| | بالتأكيد في المجموعة الكاملة.
لم تعد الأجزاء من أحد نطاقات من المصادر قابلة للتبديل. غلاف المحول هو بشكل موسع المستخدم في معتدل ||| يتم استخدامه لتثبيت و ||| غلاف المهايئ يسمح لـ ||| .


أبعاد
60 ملم قطر تتحمل
65 ملم قطر خارجي صغير تفتق
85 ملم خارج القطر قفل الجوز
50 مم عرض
12 ملم عرض صامولة القفل
13.5 مم عرض صامولة القفل بما في ذلك حلقة القفل
M65x2 خيط
1:12 تفتق خارجي
كتلة
تجميع كم المحول ||| 0.48 كجم

