كتلة وسادة تحمل UCP212
قوي
مُصمم من أجل الثابت والتناوب
جاهز للتركيب
محمل مشحم ومختوم
قفل سريع على العمود
فعاله من حيث التكلفه
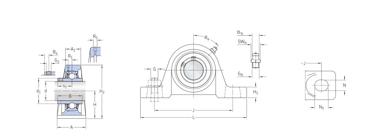
وسادة (بلومر) محمل كروي ||| أدوات ||| المساعدات السطح. هذا المتغير هو القوي والصلب ، وهو المناسب لأغراض ||| | والتناوب ||| ||| تعليمات التدوير. يحتوي على ||| ||| حلقات داخلية ||| من |||
UCP212 عبارة عن تجميع لكتلة الوسادة P212 وإدخال محمل بتقنية UC212.FYH.

أبعاد
عرض تحمل ، إجمالي |
65.1 ملم |
مسافة المركز بين فتحات المسامير |
184 ملم |
ارتفاع المركز (كتلة وسادة) |
69.8 ملم |
العرض الإجمالي للإسكان |
62 ملم |
قطر رمح |
60 ملم |
أداء
تصنيف الحمل الديناميكي الأساسي |
52.7 kN |
تصنيف الحمل الأساسي الثابت |
36 kN |
تحديد السرعة |
2700 r / min |
ملحوظة |
الحد من السرعة مع تحمل العمود h6 |
ملكيات
نوع التجويف |
إسطواني |
طلاء |
بدون |
نوع ثقب الترباس |
سهل |
تركيب الشحوم |
مع |
نوع السكن |
كتلة وسادة |
المزلق |
شحم |
المواد ، تحمل |
تحمل الصلب |
المواد والسكن |
الحديد الزهر |
عدد فتحات المسامير للمثبتات |
2 |
ثقب إعادة التشحيم |
مع |
ميزة الاحتفاظ ، الحلقة الداخلية |
مجموعة براغي |
حلقة جلوس مطاطية |
بدون |
نوع الختم |
الاتصال ، قياسي |
الختم ، تحمل |
الختم والقذف على كلا الجانبين |
وحدة الختم |
بدون |



